工作原理

待分离的物料经进料管进入高速旋转的离心机转鼓内,在离心力场的作用下,物料通过滤布(滤网)过滤,液相经出液管排出,固相则截留在转鼓内。待转鼓内滤饼达到机器规定的装料量时,停止进料,对滤饼进行洗涤,同时将洗涤液滤出。滤饼脱液达到要求后,停机,滤饼由人工卸出。进入待机状态。

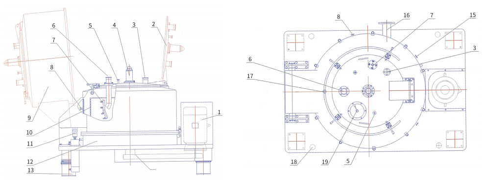
1/电机
2/小翻盖
3/排气管
4/防爆照明灯
5/进料管
6/进料管
7/洗涤管
8/侧向清洗接管
9/大翻盖
10/转鼓
11/翻盖机构
12/机座
13/液压阻尼减振器
14/传动
15/下在线喷淋管
16/出液管
17/上在线喷淋管
18/吊装点
19/观察镜
主要特点
1.全翻盖结构,结构件过渡圆滑,表面经拋光处理,有效消除卫生死角,外部结构件、紧固件和转鼓采用不锈钢制造,可对离心机外壳、转鼓、出液槽进行彻底清洗。
2.机座为平板式结构,机器重心低,占地空间小,操作方便。
3.配置液态阻尼减振器,减振效果好,简化日常保养。
4.翻盖上设置进料管、洗涤管、观察镜、照明孔。配置在线清洗系统(选装),对离心机外壳内壁、转鼓内外表面、集液槽表面等离心机内部进行在线清洗,保证了洁净度要求,符合GMP规范。
5.通用性强,晶粒不易破碎,既可用于固相为颗粒状的悬浮液分离,也可用于纤维状物料的分离,适用范围广。
6.采用变频器启动,启动平稳,分离因数可调;配置氮气保护系统(选装),可实现密闭结构防爆要求,适合于有毒和易燃易爆场合的应用。
7.可配置手动、液压等多种翻盖形式。

PQSB系列离心机技术参数
| 项目 | 型号 | ||||
| PQSB 450 | PQSB 600 | PQSB 800 | PQSB 1000 | PQSB 1250 | |
| 转鼓直径(mm) | 450 | 600 | 800 | 1000 | 1250 |
| 转鼓容积(L) | 20 | 45 | 100 | 150 | 310 |
| 最大装料限量(kg) | 30 | 60 | 150 | 200 | 380 |
| 转鼓转速(r/min) | 1900 | 1500 | 1200 | 1100 | 1000 |
| 分离因数 | 910 | 755 | 645 | 680 | 700 |
| 电机功率(kw) | 1.5 | 3 | 7.5 | 11 | 18.5 |
| 外形尺寸(LxWxH)(mm) | 1500*900*800 | 1900*1300*1300 | 2200*1400*1350 | 2450*1500*1400 | 3000*1800*1700 |
| 机器重量(kg) | 800 | 1100 | 2000 | 2500 | 4000 |
PQSF系列离心机技术参数
| 项目 | 型号 | ||||
| PQSF 450 | PQSF 600 | PQSF 800 | PQSF 1000 | PQSF 1250 | |
| 转鼓直径(mm) | 450 | 600 | 800 | 1000 | 1250 |
| 转鼓容积(L) | 20 | 45 | 100 | 150 | 210 |
| 最大装料限量(kg) | 30 | 60 | 150 | 200 | 260 |
| 转鼓转速(r/min) | 2300 | 1500 | 1200 | 1100 | 1000 |
| 分离因数 | 1300 | 755 | 645 | 680 | 700 |
| 电机功率(kw) | 2.2 | 3 | 7.5 | 11 | 18.5 |
| 外形尺寸(LxWxH)(mm) | 1200*900*800 | 1600*1300*1300 | 1800*1400*1500 | 2100*1500*1600 | 2800*1800*1600 |
| 机器重量(kg) | 500 | 900 | 1500 | 2200 | 3500 |