Operating principle

Once the materials to be separated enter the fast - spinning basket, it will be filtrated by the filter liner under the centrifugal force. The liquid flows out through the liquid outlet, but solids deposit on the internal wall of the basket. Once the solid cake reaches the rate capacity, feeding stops. Wash the solids cake, and then drain out the washing water. Finally stop the machine. The solid cake is discharged manually and move to next batch.

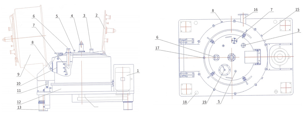
1/Motor
2/Little cover
3/Vent pipe
4/Explosion-proflight
5/Nitrogen pipe
6/Feeding pipe
7/Washing pipe
8/Later washing pipe
9/Big lid
10/Baskat
11/Lid opening device
12/Base
13/Liquid-damping vibration isolator
14/Transmission
15/Bottom CIP pipe
16/Drain pipe
17/Top CIP pipe
18/Lifting point
19/Sight glass
Main features
1.With full- turnover cover design and polished surface leaves no residual heel. The case, fixing parts and basket are made of stainless steel. It is easy to clean the gap between the case and the basket.
2.Platform base design lowers the center of gravity and requires minimum installation space. The
platform base can be used for operation platform.
3.Liquid - damping vibration isolators, simplify the routine maintenance.
4.Full-turnover hinged cover, feeding pipe, washing pipe, observation glass and light. Automatic CIP system (optional) cleans the internal surface of the case, the basket and liquid slot to meet the clean requirement in accordance with GMP standards.
5.Wide range of applications No damage to the particle shape.
6.Inverter start-up, smooth starting, adjustable relative centrifugal force. Tightness structure with silicone rubber or fluoroelastomers seals. Nitrogen protection system (optional) is for anti-explosion applied to poisonous, flammable and explosive environment.
7.It can be configured with manual, hydraulic and a variety of forms of flip.

PQSB Technical parameters
| Items | Models | ||||
| PQSB 450 | PQSB 600 | PQSB 800 | PQSB 1000 | PQSB 1250 | |
| Basket Dia(mm) | 450 | 600 | 800 | 1000 | 1250 |
| Basket Volume(L) | 20 | 45 | 100 | 150 | 310 |
| Max. load(kg) | 30 | 60 | 150 | 200 | 380 |
| Max.Rotating speed(r/min) | 1900 | 1500 | 1200 | 1100 | 1000 |
| Centrifuge force | 910 | 755 | 645 | 680 | 700 |
| Motor(kw) | 1.5 | 3 | 7.5 | 11 | 18.5 |
| Dimension(LxWxH)(mm) | 1500*900*800 | 1900*1300*1300 | 2200*1400*1350 | 2450*1500*1400 | 3000*1800*1700 |
| Weight(kg) | 800 | 1100 | 2000 | 2500 | 4000 |
PQSF Technical parameters
| Items | Models | ||||
| PQSF 450 | PQSF 600 | PQSF 800 | PQSF 1000 | PQSF 1250 | |
| Basket Dia(mm) | 450 | 600 | 800 | 1000 | 1250 |
| Basket Volume(L) | 20 | 45 | 100 | 150 | 210 |
| Max. load(kg) | 30 | 60 | 150 | 200 | 260 |
| Max.Rotating speed(r/min) | 2300 | 1500 | 1200 | 1100 | 1000 |
| Centrifuge force | 1300 | 755 | 645 | 680 | 700 |
| Motor(kw) | 2.2 | 3 | 7.5 | 11 | 18.5 |
| Dimension(LxWxH)(mm) | 1200*900*800 | 1600*1300*1300 | 1800*1400*1500 | 2100*1500*1600 | 2800*1800*1600 |
| Weight(kg) | 500 | 900 | 1500 | 2200 | 3500 |