• Zhangjiagang pufa, Wholeheartedly provide you with high-quality service···
  • (+86)0512-58633919
  • pufajx@163.com
PQSB/PQSF Platform Base Top Discharge Centrifuges

Operating principle

Once the materials to be separated enter the fast - spinning basket, it will be filtrated by the filter liner under the centrifugal force. The liquid flows out through the liquid outlet, but solids deposit on the internal wall of the basket. Once the solid cake reaches the rate capacity, feeding stops. Wash the solids cake, and then drain out the washing water. Finally stop the machine. The solid cake is discharged manually and move to next batch.

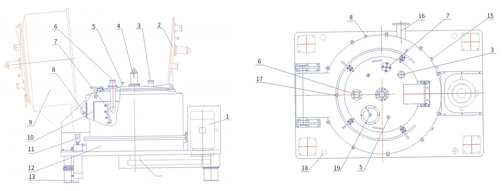
1/Motor
2/Little cover
3/Vent pipe
4/Explosion-proflight
5/Nitrogen pipe
6/Feeding pipe
7/Washing pipe

8/Later washing pipe
9/Big lid
10/Baskat
11/Lid opening device
12/Base
13/Liquid-damping vibration isolator
14/Transmission

15/Bottom CIP pipe
16/Drain pipe
17/Top CIP pipe
18/Lifting point
19/Sight glass

Main features

1.With full- turnover cover design and polished surface leaves no residual heel. The case, fixing parts and basket are made of stainless steel. It is easy to clean the gap between the case and the basket.
2.Platform base design lowers the center of gravity and requires minimum installation space. The platform base can be used for operation platform.
3.Liquid - damping vibration isolators, simplify the routine maintenance.
4.Full-turnover hinged cover, feeding pipe, washing pipe, observation glass and light. Automatic CIP system (optional) cleans the internal surface of the case, the basket and liquid slot to meet the clean requirement in accordance with GMP standards.
5.Wide range of applications No damage to the particle shape.
6.Inverter start-up, smooth starting, adjustable relative centrifugal force. Tightness structure with silicone rubber or fluoroelastomers seals. Nitrogen protection system (optional) is for anti-explosion applied to poisonous, flammable and explosive environment.
7.It can be configured with manual, hydraulic and a variety of forms of flip.

PQSB Technical parameters

Items Models
PQSB 450 PQSB 600 PQSB 800 PQSB 1000 PQSB 1250
Basket Dia(mm) 450 600 800 1000 1250
Basket Volume(L) 20 45 100 150 310
Max. load(kg) 30 60 150 200 380
Max.Rotating speed(r/min) 1900 1500 1200 1100 1000
Centrifuge force 910 755 645 680 700
Motor(kw) 1.5 3 7.5 11 18.5
Dimension(LxWxH)(mm) 1500*900*800 1900*1300*1300 2200*1400*1350 2450*1500*1400 3000*1800*1700
Weight(kg) 800 1100 2000 2500 4000

PQSF Technical parameters

Items Models
PQSF 450 PQSF 600 PQSF 800 PQSF 1000 PQSF 1250
Basket Dia(mm) 450 600 800 1000 1250
Basket Volume(L) 20 45 100 150 210
Max. load(kg) 30 60 150 200 260
Max.Rotating speed(r/min) 2300 1500 1200 1100 1000
Centrifuge force 1300 755 645 680 700
Motor(kw) 2.2 3 7.5 11 18.5
Dimension(LxWxH)(mm) 1200*900*800 1600*1300*1300 1800*1400*1500 2100*1500*1600 2800*1800*1600
Weight(kg) 500 900 1500 2200 3500